Welcome to KZY Electronic Technology Co., Ltd
You are here:Home >> Products >> Sensor Module

Products

Products

Contact us

Contact: Louis
WhatsappWeChat : +86 18617158103
Tel: +86 18617158103
Direct: +86-0755-22235249
Made in china store: https://fut688.en.made-in-china.com/
Alibaba store: https://fut688.en.made-in-china.com/
Website: www.kzyeducabot.com
Add: Room 301, 3rd Floor, Zhengtong Pioneer Park, No. 12, Liuyuepuxia Road, Henggang Street Office, Longgang District, Shenzhen, Guangdong Province, China

Sensor Module

Load Cell 1KG 5KG 10KG 20KG HX711 AD Module Weight Sensor Electronic Scale Aluminum Alloy Weighing Pressure Sensor 

 Feature:
The full-bridge structure, the four leads, easy to use, plus driving voltage 5-10V, force changes in the output voltage signal directly.
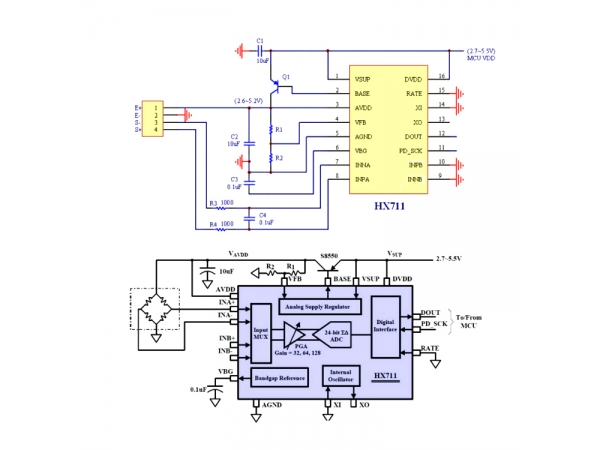
Wiring: red voltage + E, black line voltage -E, green line signals + S, the white line signal -S
The sensor is fixed at one end through the screw hole, and the other end left floating state, applied according to label directions direction of gravity. In particular, note that you must not directly push the white plastic cover part, in order to avoid damage of the sensor.
Specification:
Model: YZC-131A
Dimensions: 75x12.7x8mm/2.95 x 0.51 x 0.31"(L x W x H)
Range: 5 kg
Rated Load: 2 kg
Rated output: 1.0 ± 0.1mV / V
Nonlinear: ± 0.05% F.S
Hysteresis: 0.0% F.S

  •  Feature:
    The full-bridge structure, the four leads, easy to use, plus driving voltage 5-10V, force changes in the output voltage signal directly.
    Wiring: red voltage + E, black line voltage -E, green line signals + S, the white line signal -S
    The sensor is fixed at one end through the screw hole, and the other end left floating state, applied according to label directions direction of gravity. In particular, note that you must not directly push the white plastic cover part, in order to avoid damage of the sensor.
    Specification:
    Model: YZC-131A
    Dimensions: 75x12.7x8mm/2.95 x 0.51 x 0.31"(L x W x H)
    Range: 5 kg
    Rated Load: 2 kg
    Rated output: 1.0 ± 0.1mV / V
    Nonlinear: ± 0.05% F.S
    Hysteresis: 0.0% F.S
    Repeatability: 0.05% F.S
    Creep (5 minutes): 0.05% F.S
    Temperature Effect on Output: 0.003% F.S /°C
    Zero output: ± 0.2 mV / V
    Input impedance: 1050 ± 10% Ω
    Output impedance: 1000 ± 10% Ω
    Insulation resistance: 2000 MΩ
    Operating temperature range: -21 ~ 40°C
    Recommended for: kitchen scales
    Weight:21g
  • Please submit your basic information, we will contact you as soon as possible!

    *

    *

    *

    *

Related products

Copyright 2022 KZY Electronic Technology Co., Ltd  All Rights Reserved  
Web Design—Quanfang Network